उच्च शक्ति घनत्व, उच्च शक्ति आउटपुट फास्ट चार्ज आवश्यकताओं के लिए, सिलिज ने एक उच्च-प्रदर्शन पीएफसी + एलएलसी संयोजन नियंत्रक SY5055 लॉन्च किया, जिसने फ्रंट बूस्ट पीएफसी और रियर एलएलसी नियंत्रक को सील कर दिया, जिससे परिधीय सर्किट अधिक संक्षिप्त हो गया, लागत में बचत हुई और अनुकूल भी हुआ। संपूर्ण विद्य......
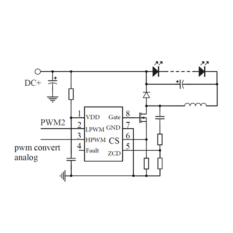
और पढ़ेंडीसीडीसी कॉन्स्टेंट करंट चिप आधुनिक बिजली प्रबंधन प्रणालियों में एक मुख्य घटक है, जिसे लोड या इनपुट वोल्टेज भिन्नताओं की परवाह किए बिना एक स्थिर और नियंत्रणीय आउटपुट करंट देने के लिए डिज़ाइन किया गया है। यह आलेख एक व्यापक तकनीकी अवलोकन प्रदान करता है कि डीसीडीसी कॉन्स्टेंट करंट चिप्स कैसे कार्य करता......
और पढ़ेंइलेक्ट्रॉनिक्स के आधुनिक युग में, स्थिर और कुशल ऊर्जा रूपांतरण की मांग करने वाले बिजली उपकरणों में एसीडीसी कॉन्स्टेंट करंट चिप्स अपरिहार्य हो गए हैं। ये चिप्स प्रत्यावर्ती धारा (एसी) इनपुट और प्रत्यक्ष धारा (डीसी) आउटपुट के बीच आवश्यक लिंक के रूप में कार्य करते हैं, यह सुनिश्चित करते हुए कि इलेक्ट्र......
और पढ़ें